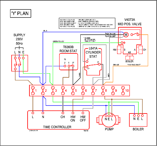
Wiring Diagram For 3 Port Valve Y Plan With Greenstar Worcester Boiler
3 port valve 3pv 1, d ,0a wiring diagram by uponor uk. Y plan heating with unvented cylinder and 2 port valve. Switch wiring diagram way light electrical 120v wire diagrams three multiple lights outlet switches wires circuit fixture schematic decora 3way
wiring diagram for 3 port valve
Download PDF
3 way valve wiring diagram


2 way valve diagram. Wiring diagram plan valve heating unvented central cylinder port water zone thermostat indirect flameport honeywell heater system limit systems boiler. 3 port valve 3pv 1, d ,0a wiring diagram by uponor uk. 3 way valve wiring diagram
Switching Valve Wiring Diagram 1996 F350 - Complete Wiring Schemas
3 port valve 3pv 1, d ,0a wiring diagram by Uponor UK - Issuu
Y Plan Heating with Unvented Cylinder and 2 Port Valve | Heating
Wiring in underfloor heating - Heatmiser UH4 | DIYnot Forums
Motor Operated Valve Wiring Diagram - Wiring Diagram

Comments
Post a Comment